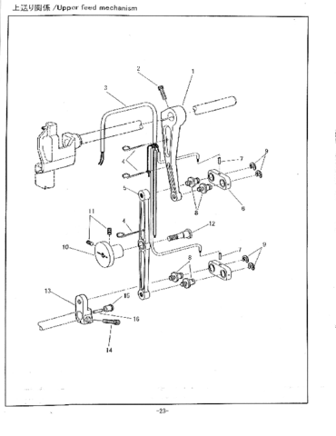
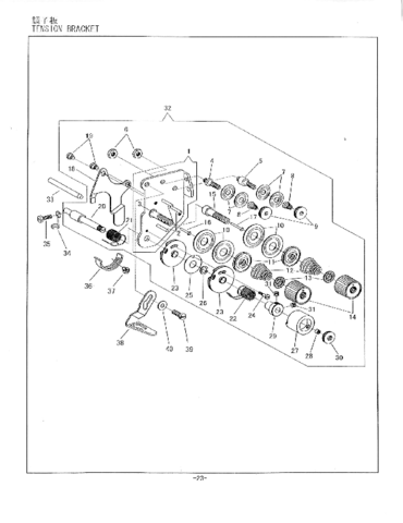
Manuals, instructions and parts books Welcome, Guest. Please Sign in to view your private library. Instruction books Zoje ZJ0302 Instruction Book PDF file, 2.9 MB Zoje ZJ0303-BD Parts & Instruction book PDF file, 42 MB Zoje ZJ0303L Parts and Instruction Book PDF file, 3.2 MB Zoje ZJ20U Instruction Book PDF file, 1.2 MB Zoje ZJ26-1A Parts & Instruction Book PDF file, 1.5 MB Zoje ZJ457 Parts and Instruction Book PDF file, 2.8 MB Zoje ZJ550W Energy Saving Motor Instruction Book PDF file, 737 KB Zoje ZJ600 Blindstitch Parts & Instruction Book PDF file, 1.5 MB Zoje ZJ600PL Instruction Book PDF file, 14 MB Zoje ZJ1900A Instruction Book PDF file, 14 MB Zoje ZJ1900A Service Book 1 PDF file, 12 MB Zoje ZJ1900A Service Book 2 PDF file, 8.2 MB Zoje ZJ2290-SR Instruction Manual PDF file, 11 MB Zoje ZJ2875 machine manual 2018 PDF file, 28 MB Zoje ZJ5780S Instruction Book PDF file, 10 MB Zoje ZJ5820 Instruction Book PDF file, 25 MB Zoje ZJ8800A Instruction Book PDF file, 5.6 MB Zoje ZJ9701 Instruction Manual PDF file, 9 MB Parts books Seiko BBW Series Parts Book (1) PDF file, 3 MB Seiko BBW Series Parts Book (2) PDF file, 3.8 MB Seiko BBW Series Parts Book (3) PDF file, 3.9 MB Seiko BBW Series Parts Book (4) PDF file, 4.1 MB Seiko BBW Series Parts Book (5) PDF file, 2.8 MB Seiko BBWP-28BL, 28BL-BTFL Parts Book (1) PDF file, 3.7 MB Seiko BBWP-28BL, 28BL-BTFL Parts Book (2) PDF file, 3.4 MB Seiko BBWP-28BL, 28BL-BTFL Parts Book (3) PDF file, 3.5 MB Seiko BBWP-28BL, 28BL-BTFL Parts Book (4) PDF file, 3.2 MB Seiko H-2BL-AE-1 Parts Book PDF file, 1.3 MB Seiko LPWN-28BL Parts Book PDF file, 3 MB Seiko LSC-8BLV-1, 8BLH-1 Parts Book (1) PDF file, 3 MB Seiko LSC-8BLV-1, 8BLH-1 Parts Book (2) PDF file, 2.7 MB Seiko LSWN-28BL-3, 28BL-TA-3 Parts Book (1) PDF file, 3 MB Seiko LSWN-28BL-3, 28BL-TA-3 Parts Book (2) PDF file, 3.5 MB Seiko LSWN-28BL-3, 28BL-TA-3 Parts Book (3) PDF file, 3.3 MB Seiko LSWN-8BL-3, 8BL-TA-3 Parts Book (1) PDF file, 3 MB Seiko LSWN-8BL-3, 8BL-TA-3 Parts Book (2) PDF file, 2.8 MB Seiko LSWN-8BL-3, 8BL-TA-3 Parts Book (3) PDF file, 2.6 MB Seiko SK-2B-1 Parts Book (1) PDF file, 3.4 MB Seiko SK-2B-1 Parts Book (2) PDF file, 2.8 MB Seiko SLH-2B 2B-1 2B-FH-1 1 Parts Book PDF file, 1.5 MB Seiko STH-8BLD-3 Parts Book (1) PDF file, 2.9 MB Seiko STH-8BLD-3 Parts Book (2) PDF file, 2.3 MB Seiko TE-6 & TE-6B Parts Book PDF file, 601 KB Seiko TH-8B, 8B-A, BTFL Parts Book PDF file, 1.8 MB Zoje A8000 instruction manual PDF file, 4.6 MB Zoje A8000 Control Panel manual PDF file, 138 KB Zoje A8000 Parts Book (NEW) PDF file, 2.6 MB Zoje ZJ-M5-S800H-LK-SF Parts Book PDF file, 3.5 MB Zoje ZJ0302 Parts Book PDF file, 2.4 MB Zoje ZJ0302 Parts Book (Version 2) PDF file, 18 MB Zoje ZJ0303-BD Parts & Instruction book PDF file, 42 MB Zoje ZJ0303L Parts and Instruction Book PDF file, 3.2 MB Zoje ZJ26-1A Parts & Instruction Book PDF file, 1.5 MB Zoje ZJ100 Cutter Parts Book PDF file, 1.2 MB Zoje ZJ457 Parts and Instruction Book PDF file, 2.8 MB Zoje ZJ600 Blindstitch Parts & Instruction Book PDF file, 1.5 MB Zoje ZJ600PL Parts book PDF file, 8.7 MB Zoje ZJ700 Overlock Parts Book (New Part No.s) PDF file, 5.8 MB Zoje ZJ781 Parts Book PDF file, 24 MB Zoje ZJ880 Parts Book PDF file, 3.8 MB Zoje ZJ1900 Parts Book PDF file, 701 KB Zoje ZJ1900A Parts Book PDF file, 9 MB Zoje ZJ1900DSS-3-04-V4 installation manual and parts book CN EN PDF file, 21 MB Zoje ZJ1900DSS-0604P-J-TP Parts Book PDF file, 3.4 MB Zoje ZJ20U93 Parts Book PDF file, 2.1 MB Zoje ZJ2290S-2290B&2290S-SR PARTS BOOK PDF file, 7.4 MB Zoje ZJC2500 Parts and Instruction Book PDF file, 8.4 MB Zoje ZJ5770A-1510HG1 Parts book PDF file, 15 MB Zoje ZJ5780 Parts Book PDF file, 2.3 MB Zoje ZJ5820 ZJ5821 Parts Book PDF file, 9.6 MB Zoje ZJ8450 ZJ8750A-5 Parts Book PDF file, 2.4 MB Zoje ZJ2845-BD ZJ2875-BD-parts book PDF file, 15 MB Zoje ZJ8720 Parts Book PDF file, 8.8 MB Zoje ZJ8500 Parts Book PDF file, 5.1 MB Zoje ZJ8800A Parts Book PDF file, 6.8 MB Zoje ZJ8800A-D3 (NEW) Parts Book PDF file, 8.4 MB Zoje ZJ9000D Parts Book PDF file, 2.6 MB Zoje B9500 parts book Nov 2020 PDF file, 14 MB Zoje ZJ9513G Parts Book PDF file, 1.8 MB Zoje ZJ9701 Parts Book PDF file, 11 MB Zoje ZJ9703AR-D4J Parts Book PDF file, 2 MB Zoje ZJ9800 Parts and Instruction Book PDF file, 15 MB Zoje ZJ9901 Parts Book PDF file, 24 MB Zoje ZJ9903 Parts Book PDF file, 2.4 MB ZOJE ZJ952T+ZJ932T Instruction Manual & Parts Book PDF file, 19 MB Parts Book 1501PT - 1501TC PDF file, 12 MB